Gehäuse für 7" CAR-TFT MM400 mit Touchscreen und Power-On per ATtiny15 geschrieben am 13.09.2009
Von Basteleien habe ich noch ein Touch-Screen-TFT "über" (von www.cartft.de).
Neben dem TFT soll noch ein USB-HUB und ein Card-Reader Platz finden.
[14.02.2009] Die Planung des Gehäuses
Die erste Skizze:

Dann habe ich das Gehäuse zum austesten der optimalen Größe in Cinema4d nachgebaut:

Die oberen Dinger sollen evtl. die Taster für das TFT werden.
Die Bauphasen
Als Material habe ich noch etwas 4mm Sperrholz übrig.

Das lässt sich gut mit einem Cutter schneiden und ist sauberer als mit der Säge.
Zwischendurch gab es auch was zu Essen.

Für die Gehäuserundungen habe ich mir ¼-rund-Kieferleisten im örtlichen Baumarkt gekauft.
Hier eine Ansicht vom Vorderteil:

Nach dem selben Schema habe ich noch ein Rückteil und zwei Unterschalen gebaut.

Wie man sieht habe ich dort schon fleißig gespachtelt...

...und geschliffen und gespachtelt und geschliffen...
Für das Projekt habe ich schon mal den USB 2.0-Hub und den Card-Reader vom Gehäuse befreit.

[13.04.2009] Nun kommt Farbe ins Spiel

[19.04.2009] Zusammenbau
Hier fehlt nur noch das Hinterteil:

Rechts ist der USB-Hub zu sehen. Ein Ausgang geht an das touch-Panel vom TFT, einer an den Card-Reader (liegt vorne und es ist nur der Stecker zu sehen) und die restlichen beiden Ports gehen einmal nach vorne und einmal nach hinten für USB-Sticks, Webcam oder anderes.
Die Anschlüsse von links nach rechts: VGA-in, Power 12V, USB-in und USB-out.

oben links sind noch die vier Bedienbuttons des TFT zu sehen (von oben nach unten: Power, Menü, +, -).
Theoretisch könnte man noch ein nano-Board unterbringen, wenn man die Rückseite etwas tiefer macht. Aber das würde den Kostenrahmen sprengen.
Und zum Schluss noch eine Ansicht, welches das ganze in Betrieb zeigt:

Links ist ein USB-Ausgang vom USB-Hub zu sehen, rechts die beiden Ports des CARD-Readers (CF und SD). Die anderen beiden Slots sind nicht zugänglich, da ich keine solche Karten besitze.
[update 13.09.2009]
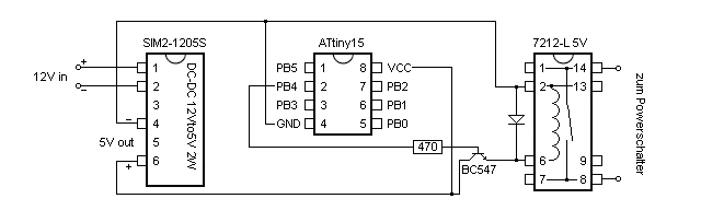
nun habe ich endlich die Power-ON-Schaltung fertiggestellt.
Benutzt habe ich dazu ein ATtiny15, ein Relais DIP 7212-L 5V*, ein Transistor BC547B, ein Widerstand, eine Diode (als Freilaufdiode für das Relais) und einen Spannungswandler SIM2-1205S (12V DC auf 5V DC).
Statt des 7212-L kann man auch das 7212-D nehmen, das Relais hat die Freilaufdiode schon eingebaut.

Assembler
/*
ATtiny15
nach Einschalten warten und PB4 dann einschalten
*/
.nolist
.include "tn15def.inc"
.list
.def temp = r16
.def z1 = r19
.def z2 = r20
.def z3 = r21
.def ws = r22
.org 0x0000
rjmp RESET
reset: ;Initialisierung
ldi temp, 0b00011000 ; Port 3+4
out DDRB, temp ;als out definieren
ldi temp, 0b00000000 ;Port 3+4 auf 0 setzen
out PORTB,temp ;alles 0
main:
ldi ws,12 ;ca. 12Sec warten
rcall wait
ldi temp, 0b00010000 ;Port 4 on, Relais anschalten
out PORTB,temp
ldi ws,1 ;1Sec warten
rcall wait ;
ldi temp, 0b00000000 ; Relais ausschalten
out PORTB,temp ;alles 0
endloop:
nop
rjmp endloop
wait:
ldi z1,0
ldi z2,0
ldi z3,0
loop1:
inc z1
BRNE loop1
inc z2
BRNE loop1 ;256*256 Zyklen waten
inc z3
cpi z3,6 ;6~1sec
BRLO loop1
dec ws ;Anzahl Sekunden
BRNE wait;
retDer ATtiny15 warten nach dem Einschalten ca. 10 Sekunden und zieht dann das Relais für ca. 1 Sekunde an. Mein Rechner braucht ungefähr 10 Sekunden bis die Grafikkarte sicher an ist - das RAM hoch zählen bekomme ich noch mit, da 2GB eine Weile brauchen.
Das Programm habe ich mit "AVR Studio 4" erstellt und "PonyProg 2000" mittels Atmel Evaluationsboard eingespielt.
Anmerkung: bei der heute erhältlichen Version 2 ist diese Funktionalität im TFT schon eingebaut.
Ein paar Infos sind auf CaseConstruction.de zu finden.